3 ELF KB ..... 3 ELF KB 6
Základní technické údaje:
| Jmen. proud: | 0,2 A |
|---|---|
| Jmen. napětí: | 3 x 440 V |
| Frekvence: | 50-60Hz |
| Stupeň krytí: | IP20 |
| Rozměry: | 115x50x40mm |
| Hmotnost: | 0,2 kg |
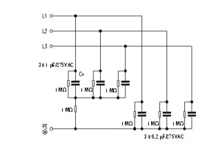
Popis
3 ELF KB ..... 3 ELF KB 6
Je třífázový odrušovací prvek kondenzátorového typu, který se používá obvykle
pro dodatečné odrušení, jestliže sám filtr pro vysokou úroveň rušení nestačí
svým útlumem.
Někdy je též používán samostatný na vstupních svorkách zařízení, pro odrušení nebo jako ochrana proti zařízení proti špičkám ze sítě.
Má dvojí provedení - pro montáž na panel a pro montáž na DIN lištu. podrobnost viz pdf
Soubory:

